Кюветы к Amelung KC 4 Delta, Merlin MC 4

Кюветы к Amelung KC 4 Delta, Merlin MC 4
Наличие: В наличии
Цена: По запросу

А08- Кюветы и миксеры (металлические шарики) к коагулометрам Amelung КС 4 Delta, Merlin МС 4

Основные характеристики:

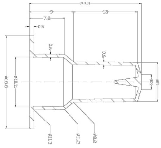
  • Микрокювета одноразовая изготавливается из полистирола (пластик) 
  • Объем реакционной смеси 1 мл
  • Размер одной микрокюветы: длина 22.8 мм, диаметр верхний наружный 18.8 мм, диаметр нижний наружный 8 мм, объем 1.0 мл
  • Микрокювета круглая с выступающим частью по верхнему краю
  • В комплекте поставляются миксеры (металлические шарики) диаметр 2,0 мм для перемешивания проб биологических жидкостей в кювете

Производитель Италия, Китай.

А08- Кюветы и миксеры (металлические шарики) к коагулометрам Amelung, КС 4 Delta, Merlin МС 4

Кюветы к Amelung KC 4 Delta, Merlin MC 4

Яндекс.Метрика